S siri Trek roller galas
S siri Trek roller galas
S siri Trek roller galas

S siri

Galas roller orbital siri W adalah galas ketepatan yang direka khas untuk menahan beban yang tinggi dan keadaan kerja yang melampau. Mereka digunakan secara meluas dalam kereta api, perlombongan dan jentera berat dan bidang lain. Ciri utama galas seperti ini ialah penggunaan penggelek sebagai elemen rolling. Berbanding dengan galas bola tradisional, penggelek dapat menyediakan kawasan hubungan yang lebih besar, sehingga memiliki kapasiti beban yang lebih tinggi dan rintangan yang lebih baik terhadap ubah bentuk. Galas roller orbital siri W biasanya diperbuat daripada keluli kekuatan tinggi, dan permukaannya telah dirawat khas untuk mempunyai rintangan dan rintangan kakisan yang baik. Di samping itu, mereka direka untuk mengurangkan geseran dan bunyi bising, meningkatkan kecekapan operasi, dan memanjangkan hayat perkhidmatan. Reka bentuk pelbagai produk siri W membolehkan mereka menyesuaikan diri dengan keperluan persekitaran kerja yang berbeza dan memastikan operasi peralatan yang cekap dan stabil.

Hantar Pertanyaan

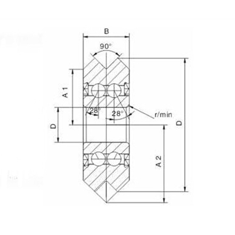
Parameter Produk

Jenis Dimensi (mm) Chamfer (r/min) Beban (kn)
d D B A1 A2
W0 4 14.84 6.35 5.94 9.12 0.3 1
W0x 4 14.84 6.35 5.94 9.12 0.3 1
W1 4.763 19.56 7.87 7.9. 11.86 0.3 2.2
W1x 4.763 19.56 7.87 7.93 11.86 0.3 2.2
W2 9.525 30.73 11.1 12.7 18.24 0.3 4.9
W2X 9.525 30.73 11.1 12.7 18.24 0.3 4.9
W3 12 45.72 15.88 19.05 26.98 0.6 9.4
W3x 12 45.72 15.88 19.05 26.98 0.6 9.4
W4 15 59.94 19.05 25.4 34.93 1 14.8
W4X 15 59.94 19.05 25.4 34.93 1 14.8
W4XL 22 75.39 25.4 31.75 44.45 1.1 20.6
W4XXL 22 75.39 25.4 31.75 44.45 1.1 20.6
W1SSX 4.763 19.56 7.87 7.93 11.86 0.3 2.2
W2SSX 9.525 30.73 11.1 12.7 18.24 0.3 4.9
W3SSX 12 45.72 15.88 19.05 26.98 0.6 9.4
W4SSX 15 59.94 19.05 25.4 34.93 1 14.8

Tentang Yinin

Syarikat Bearing and Transmission Shanghai Yinin Ditubuhkan pada tahun 2009, dengan lebih daripada 20 tahun pengalaman dalam bidang galas. Kami adalah a cina S siri Trek roller galas Pengeluar dan menyediakan Disesuaikan S siri Trek roller galas Kilang. Sejak tahun 1999, kami telah bertindak sebagai ejen pengeluar galas Cina, mengeksport pelbagai galas. Hari ini, kami telah berkembang menjadi kumpulan galas komprehensif yang menyepadukan jualan dan pembuatan.

Aplikasi Industri

Galas juga memainkan peranan yang sangat penting dalam jentera pertanian. Mereka digunakan untuk ...

Galas digunakan secara meluas dalam kereta. Mereka adalah bahagian utama sokongan dan berputar da...

Digunakan untuk sokongan, ketinggian, sudut, sendi, dan berputar bahagian peralatan perubatan.

Digunakan untuk sokongan, putaran, motor dan pemampat bahagian peralatan rumah.

Digunakan untuk putaran dan pergerakan sokongan dan panduan bahagian peralatan automasi

Dalam struktur bangunan, galas boleh digunakan untuk menghubungkan komponen struktur yang berbeza...

Dalam proses pengeluaran makanan dan minuman, pam diperlukan untuk mengangkut cecair dan pemampat...

Galas digunakan dalam enjin pesawat dan kapal angkasa untuk menyokong komponen berputar seperti t...

Berita dan Maklumat

Ketahui Lebih Lanjut

2025-10-30

Application and Selection Recommendations of Deep Groov...
The deep groove ball bearing is the workhorse of the electric motor industry, serving as a critical component in everything from small appliance motors to large industrial drives. Its versatility, rel...

2025-10-24

Deep Groove Ball Bearing Installation Direction and Pre...
Proper installation is the most critical factor determining the performance, accuracy, and service life of a deep groove ball bearing. Unlike tapered roller bearings, a common point of confusion surro...

2025-10-17

How to Judge the Service Life and Wear Degree of Deep G...
Deep groove ball bearings are among the most common and versatile bearing types, found in everything from small electric motors to heavy industrial machinery. Their reliability is critical, but like a...

Hubungi Kami

SUBMIT

Perundingan Teknikal

  • Syarikat Bearing and Transmission Shanghai Yinin

    Penyelesaian Tersuai

  • Syarikat Bearing and Transmission Shanghai Yinin

    R&D berterusan

  • Syarikat Bearing and Transmission Shanghai Yinin

    Kawalan Kualiti

  • Syarikat Bearing and Transmission Shanghai Yinin

    Sokongan Teknikal dan Latihan

  • Syarikat Bearing and Transmission Shanghai Yinin

    Respon Pantas

Jika anda mempunyai sebarang perundingan teknikal atau maklum balas, kami akan memberikan anda jawapan yang paling profesional secepat mungkin!

Hubungi Kami