Siri SG Trek roller galas
Siri SG Trek roller galas
Siri SG Trek roller galas

Siri SG

SG Series Orbital Roller Bearing adalah produk galas berprestasi tinggi yang direka khas untuk sistem trek dan panduan. Mereka menggunakan proses pembuatan lanjutan dan bahan berkualiti tinggi untuk memastikan kestabilan dan ketahanan dalam keadaan yang melampau. Galas ini mempunyai kapasiti membawa beban yang sangat baik dan rintangan haus dan sesuai untuk aplikasi berat dan berkelajuan tinggi seperti kereta api, jentera pembinaan dan peralatan penyampaian. Ciri -ciri reka bentuk siri SG termasuk elemen rolling yang dioptimumkan dan bentuk cincin dalaman dan luaran untuk mengurangkan geseran dan meningkatkan kecekapan. Di samping itu, galas ini juga berfungsi dengan baik dari segi rintangan pengedap dan habuk, dengan berkesan memanjangkan hayat perkhidmatan mereka. Sama ada dalam persekitaran yang keras atau keadaan operasi yang kompleks, galas roller orbital siri SG dapat memberikan prestasi yang boleh dipercayai dan memastikan operasi peralatan yang selamat.

Hantar Pertanyaan

SG Series Track Roller Bearings-High-Load, Life Industrial Solutions

SG Series Track Roller Bearings adalah galas roller tugas berat yang direka untuk persekitaran perindustrian yang keras, sesuai untuk beban impak yang tinggi, operasi berterusan dan keadaan suhu yang melampau. Diperbuat daripada proses pembuatan keluli dan ketepatan yang berkualiti tinggi, mereka memastikan geseran yang rendah, ketegaran tinggi dan hayat perkhidmatan ultra panjang, menjadikannya sesuai untuk jentera pembinaan, peralatan automasi dan sistem kereta api.

Ketahanan yang sangat baik
Diperbuat daripada keluli bearing vakum (SUJ2), dengan kekerasan HRC 60-64, rintangan haus meningkat sebanyak 50%.
Rawatan fosfat permukaan, prestasi karat-bukti memenuhi piawaian ISO, sesuai untuk persekitaran yang keras seperti kelembapan dan habuk.

Kapasiti beban tinggi
Penarafan beban dinamik (c) mencapai XX KN, beban statik (C0) mencapai XX KN (isi mengikut data sebenar), menyokong daya gabungan radial dan paksi.
Mengukuhkan reka bentuk cincin luar, rintangan impak adalah 30% lebih baik daripada produk yang serupa.

Reka bentuk penyelenggaraan yang rendah
Struktur meterai pra-lubricated (meterai LLB pilihan atau penutup habuk logam), hidup gris sehingga 10,000 jam.
Reka bentuk modular menyokong penggantian cepat dan mengurangkan downtime.

Operasi yang tepat
Gred Toleransi sehingga ISO P6, nilai getaran operasi adalah lebih rendah daripada standard industri, sesuai untuk sistem kereta api ketepatan tinggi.

Mengapa memilih siri SG kami?
Perkhidmatan yang disesuaikan: Sokongan saiz bukan standard, salutan khas (seperti penyaduran nikel) dan penyesuaian pelincir.
Pengesahan Global: Produk dieksport ke 30 negara.

Senario aplikasi
Jentera Perindustrian: Jentera Percetakan, Jentera Pembuatan Paperma, Jentera Automasi, Jentera Tekstil, Mesin Layan diri, Jentera Kayu, Jentera Pembungkusan
Peralatan Elektronik: Lengan Robot, Peralatan Mengukur, Platform X-Y, Peralatan Perubatan, Peralatan Automasi Kilang
Jentera Rotary: Reaktor rawatan haba logam, sistem brek, dll.
Industri Aeroangkasa: Brek Flap Aircraft, Brek Tempat Duduk, Peluru Berpandu, Peralatan Lapangan Terbang, dll.
Lain -lain: Brek antena siaran, kawalan pintu dan tingkap, kawalan katil perubatan, kemudahan tempat letak kereta, pintu alat mesin, automasi makmal, dll.

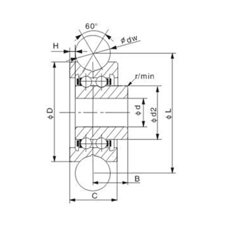
Parameter Produk

Jenis Dimensi (mm) Beban (kn) Berat
DW d D C B L. d2 H CW Lembu (Kg)
SG15 6 5 17 8 5.75 20.46 8.6 1 1.27 0.82 8
SG15-10 10 5 17 8 5.75 25.5 8.6 1 1.27 0.82 9
SG20 8 6 24 11 7.25 28.62 11.1 1.2 3.4 1.7 25
SG25 10 8 30 14 8.5 35.77 13 1.5 3.67 2.28 49
SG35 12 12 42 19 12.5 48.93 18 1.5 8.5 5.1 136
SG15N 6 5 17 8 5.75 20.46 8.6 0.5 1.27 0.82 8
SG20N 8 6 24 11 7.25 28.62 11.1 0.7 3.4 1.7 25
SG25N 10 8 30 14 8.5 35.77 13 1 3.67 2.28 49
SG35N 12 12 42 19 12.5 48.93 18 1 8.5 5.1 136

Tentang Yinin

Syarikat Bearing and Transmission Shanghai Yinin Ditubuhkan pada tahun 2009, dengan lebih daripada 20 tahun pengalaman dalam bidang galas. Kami adalah a cina Siri SG Trek roller galas Pengeluar dan menyediakan Disesuaikan Siri SG Trek roller galas Kilang. Sejak tahun 1999, kami telah bertindak sebagai ejen pengeluar galas Cina, mengeksport pelbagai galas. Hari ini, kami telah berkembang menjadi kumpulan galas komprehensif yang menyepadukan jualan dan pembuatan.

Aplikasi Industri

Galas juga memainkan peranan yang sangat penting dalam jentera pertanian. Mereka digunakan untuk ...

Galas digunakan secara meluas dalam kereta. Mereka adalah bahagian utama sokongan dan berputar da...

Digunakan untuk sokongan, ketinggian, sudut, sendi, dan berputar bahagian peralatan perubatan.

Digunakan untuk sokongan, putaran, motor dan pemampat bahagian peralatan rumah.

Digunakan untuk putaran dan pergerakan sokongan dan panduan bahagian peralatan automasi

Dalam struktur bangunan, galas boleh digunakan untuk menghubungkan komponen struktur yang berbeza...

Dalam proses pengeluaran makanan dan minuman, pam diperlukan untuk mengangkut cecair dan pemampat...

Galas digunakan dalam enjin pesawat dan kapal angkasa untuk menyokong komponen berputar seperti t...

Berita dan Maklumat

Ketahui Lebih Lanjut

2025-10-30

Application and Selection Recommendations of Deep Groov...
The deep groove ball bearing is the workhorse of the electric motor industry, serving as a critical component in everything from small appliance motors to large industrial drives. Its versatility, rel...

2025-10-24

Deep Groove Ball Bearing Installation Direction and Pre...
Proper installation is the most critical factor determining the performance, accuracy, and service life of a deep groove ball bearing. Unlike tapered roller bearings, a common point of confusion surro...

2025-10-17

How to Judge the Service Life and Wear Degree of Deep G...
Deep groove ball bearings are among the most common and versatile bearing types, found in everything from small electric motors to heavy industrial machinery. Their reliability is critical, but like a...

Hubungi Kami

SUBMIT

Perundingan Teknikal

  • Syarikat Bearing and Transmission Shanghai Yinin

    Penyelesaian Tersuai

  • Syarikat Bearing and Transmission Shanghai Yinin

    R&D berterusan

  • Syarikat Bearing and Transmission Shanghai Yinin

    Kawalan Kualiti

  • Syarikat Bearing and Transmission Shanghai Yinin

    Sokongan Teknikal dan Latihan

  • Syarikat Bearing and Transmission Shanghai Yinin

    Respon Pantas

Jika anda mempunyai sebarang perundingan teknikal atau maklum balas, kami akan memberikan anda jawapan yang paling profesional secepat mungkin!

Hubungi Kami