Siri lv Trek roller galas
Siri lv Trek roller galas
Siri lv Trek roller galas

Siri lv

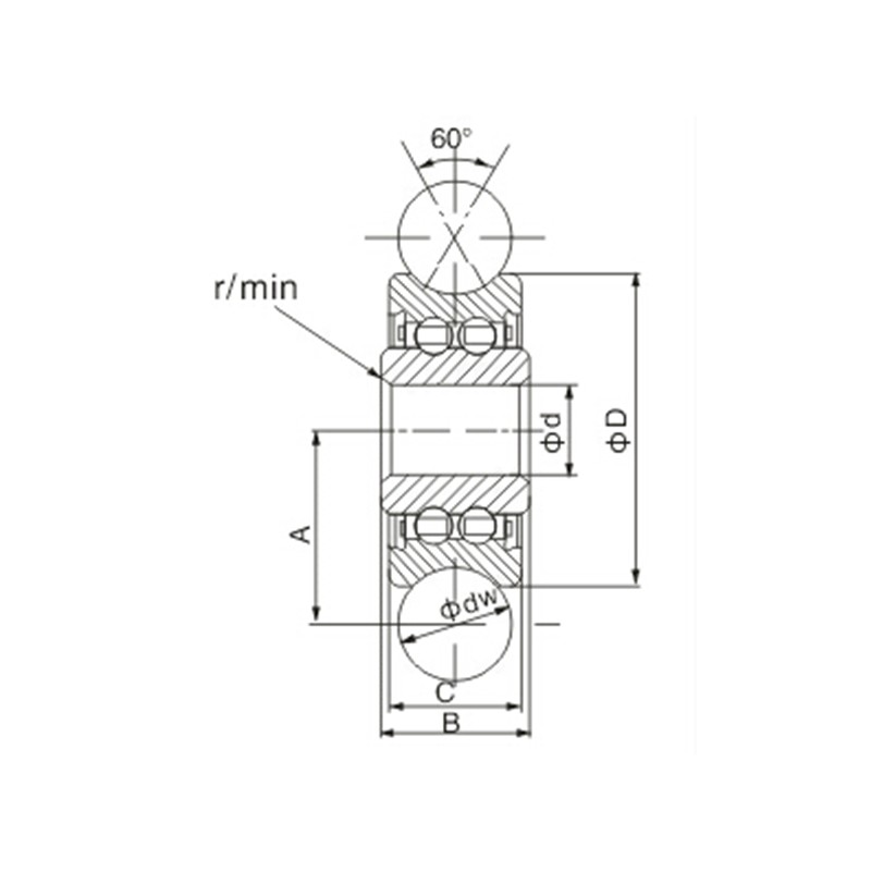
LV Series Panduan Roller Bearings adalah sejenis galas yang digunakan secara khusus dalam sistem panduan linear dan biasanya digunakan dalam peralatan automasi perindustrian dan jentera ketepatan. Mereka mempunyai kontur luar berbentuk V yang tepat sepadan dengan kereta api berbentuk V, dengan itu memberikan kesan rolling yang stabil. Reka bentuk ini bukan sahaja meningkatkan kawasan hubungan antara kereta api dan roller, tetapi juga meningkatkan kapasiti beban dan rintangan haus galas, menjadikannya sesuai untuk keadaan beban tinggi dan berat. Galas siri LV digunakan secara meluas dalam jentera tekstil, peralatan robot, jentera pembungkusan dan bidang lain, terutamanya dalam situasi di mana kedudukan ketepatan tinggi dan geseran rendah diperlukan.

Hantar Pertanyaan

Parameter Produk

Jenis roda Berat Dimensi (mm) Beban (kn)
(Kg) DW d D b C A α Rs CW Lembu
LV 20/7 ZZ 17 10 7 22 11 11 14.5 120 0.3 3.78 2.05
LV 20/8 ZZ 49 10 8 30 14 14 18.1 120 0.3 5.13 2.67
LV 202-38 ZZ 87 10 15 38 17 17 22.3 120 0.5 8.47 5.37
LV 202-40 ZZ 110 10 15 40 18 18 22 120 0.5 8.47 5.37
LV 201 ZZ 130 20 12 41 20 20 28 120 0.3 8.47 5.37
LV 201-14.2rs 107 14 12 39.9 20.1 18 24 100 0.5 8.9 5
LV 202-41 ZZ 116 20 15 41 20 20 28 120 0.5 8.47 5.37
LV 203 ZZ 325 20 17 58 25 25 35 120 0.5 14.66 9.1
LV 204-57 ZZ 290 30 20 57 22 22 41 120 0.6 14.66 9.1

Tentang Yinin

Syarikat Bearing and Transmission Shanghai Yinin Ditubuhkan pada tahun 2009, dengan lebih daripada 20 tahun pengalaman dalam bidang galas. Kami adalah a cina Siri lv Trek roller galas Pengeluar dan menyediakan Disesuaikan Siri lv Trek roller galas Kilang. Sejak tahun 1999, kami telah bertindak sebagai ejen pengeluar galas Cina, mengeksport pelbagai galas. Hari ini, kami telah berkembang menjadi kumpulan galas komprehensif yang menyepadukan jualan dan pembuatan.

Aplikasi Industri

Galas juga memainkan peranan yang sangat penting dalam jentera pertanian. Mereka digunakan untuk ...

Galas digunakan secara meluas dalam kereta. Mereka adalah bahagian utama sokongan dan berputar da...

Digunakan untuk sokongan, ketinggian, sudut, sendi, dan berputar bahagian peralatan perubatan.

Digunakan untuk sokongan, putaran, motor dan pemampat bahagian peralatan rumah.

Digunakan untuk putaran dan pergerakan sokongan dan panduan bahagian peralatan automasi

Dalam struktur bangunan, galas boleh digunakan untuk menghubungkan komponen struktur yang berbeza...

Dalam proses pengeluaran makanan dan minuman, pam diperlukan untuk mengangkut cecair dan pemampat...

Galas digunakan dalam enjin pesawat dan kapal angkasa untuk menyokong komponen berputar seperti t...

Berita dan Maklumat

Ketahui Lebih Lanjut

2025-10-30

Application and Selection Recommendations of Deep Groov...
The deep groove ball bearing is the workhorse of the electric motor industry, serving as a critical component in everything from small appliance motors to large industrial drives. Its versatility, rel...

2025-10-24

Deep Groove Ball Bearing Installation Direction and Pre...
Proper installation is the most critical factor determining the performance, accuracy, and service life of a deep groove ball bearing. Unlike tapered roller bearings, a common point of confusion surro...

2025-10-17

How to Judge the Service Life and Wear Degree of Deep G...
Deep groove ball bearings are among the most common and versatile bearing types, found in everything from small electric motors to heavy industrial machinery. Their reliability is critical, but like a...

Hubungi Kami

SUBMIT

Perundingan Teknikal

  • Syarikat Bearing and Transmission Shanghai Yinin

    Penyelesaian Tersuai

  • Syarikat Bearing and Transmission Shanghai Yinin

    R&D berterusan

  • Syarikat Bearing and Transmission Shanghai Yinin

    Kawalan Kualiti

  • Syarikat Bearing and Transmission Shanghai Yinin

    Sokongan Teknikal dan Latihan

  • Syarikat Bearing and Transmission Shanghai Yinin

    Respon Pantas

Jika anda mempunyai sebarang perundingan teknikal atau maklum balas, kami akan memberikan anda jawapan yang paling profesional secepat mungkin!

Hubungi Kami