Siri 29400 Galas roller sfera teras
Siri 29400 Galas roller sfera teras
Siri 29400 Galas roller sfera teras

Siri 29400

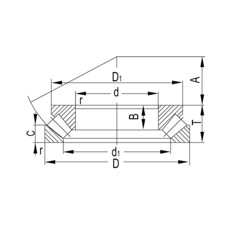
Bearing roller sfera 29400 Siri adalah galas berprestasi tinggi yang direka khas untuk menahan beban berat dan daya paksi. Ia digunakan secara meluas dalam industri metalurgi, perlombongan, pembinaan kapal dan jentera berat. Ciri strukturnya ialah kedua -dua cincin dalaman dan luaran adalah sfera dalam reka bentuk, yang boleh menyesuaikan diri dengan anjakan sudut yang disebabkan oleh ralat pemasangan atau eksentrik aci. Penggelek siri galas ini adalah silinder, menyediakan kawasan hubungan yang lebih besar dan meningkatkan kapasiti dan kestabilan beban yang ketara. Pada masa yang sama, galas siri 29400 mempunyai rintangan haus yang tinggi dan rintangan haba, memastikan kebolehpercayaan di bawah operasi beban tinggi jangka panjang. Kelebihan utamanya adalah rintangan keletihan yang sangat baik dan ciri -ciri bunyi yang rendah, menjadikannya sesuai untuk digunakan dalam persekitaran yang keras. Penyelenggaraan dan pelinciran yang mengandungi juga mudah, mengurangkan kos penggunaan.

Hantar Pertanyaan

Parameter Produk

Penetapan Dimensi Utama (mm) Penilaian Beban Asas (KN) Kelajuan terhad (rpm) Berat
d D B RS min Dinamik (CR) Statik (cor) Minyak (kg)
29412 60 130 42 1.5 283 805 2600 2.78
29413 65 140 45 2 330 945 2400 3.44
29414 70 150 48 2 365 1040 2200 4.19
29415 75 160 51 2 415 1190 2100 5.07
29416 80 170 54 2.1 460 1380 1900 6.09
29417 85 180 58 2.1 490 1480 1800 7.2
29418 90 190 60 2.1 545 1680 1700 8.38
29420 100 210 67 3 685 2130 1500 11.5
29422 110 230 73 3 845 2620 1400 15
29424 120 250 78 4 975 3050 1300 18.6
29426 130 270 85 4 1080 3550 1200 23.7
29428 140 280 85 4 1110 3750 1200 25.2
29430 150 300 90 4 1280 4350 1100 30.5
29432 160 320 95 5 1500 5150 1000 37
29434 170 340 103 5 1660 5750 940 45
29436 180 360 109 5 1840 6200 890 52.9
29438 190 380 115 5 2010 6800 840 62
29440 200 400 122 5 2230 7650 790 73.3

Tentang Yinin

Syarikat Bearing and Transmission Shanghai Yinin Ditubuhkan pada tahun 2009, dengan lebih daripada 20 tahun pengalaman dalam bidang galas. Kami adalah a cina Siri 29400 Galas roller sfera teras Pengeluar dan menyediakan Disesuaikan Siri 29400 Galas roller sfera teras Kilang. Sejak tahun 1999, kami telah bertindak sebagai ejen pengeluar galas Cina, mengeksport pelbagai galas. Hari ini, kami telah berkembang menjadi kumpulan galas komprehensif yang menyepadukan jualan dan pembuatan.

Aplikasi Industri

Galas juga memainkan peranan yang sangat penting dalam jentera pertanian. Mereka digunakan untuk ...

Galas digunakan secara meluas dalam kereta. Mereka adalah bahagian utama sokongan dan berputar da...

Digunakan untuk sokongan, ketinggian, sudut, sendi, dan berputar bahagian peralatan perubatan.

Digunakan untuk sokongan, putaran, motor dan pemampat bahagian peralatan rumah.

Digunakan untuk putaran dan pergerakan sokongan dan panduan bahagian peralatan automasi

Dalam struktur bangunan, galas boleh digunakan untuk menghubungkan komponen struktur yang berbeza...

Dalam proses pengeluaran makanan dan minuman, pam diperlukan untuk mengangkut cecair dan pemampat...

Galas digunakan dalam enjin pesawat dan kapal angkasa untuk menyokong komponen berputar seperti t...

Berita dan Maklumat

Ketahui Lebih Lanjut

2025-10-30

Application and Selection Recommendations of Deep Groov...
The deep groove ball bearing is the workhorse of the electric motor industry, serving as a critical component in everything from small appliance motors to large industrial drives. Its versatility, rel...

2025-10-24

Deep Groove Ball Bearing Installation Direction and Pre...
Proper installation is the most critical factor determining the performance, accuracy, and service life of a deep groove ball bearing. Unlike tapered roller bearings, a common point of confusion surro...

2025-10-17

How to Judge the Service Life and Wear Degree of Deep G...
Deep groove ball bearings are among the most common and versatile bearing types, found in everything from small electric motors to heavy industrial machinery. Their reliability is critical, but like a...

Hubungi Kami

SUBMIT

Perundingan Teknikal

  • Syarikat Bearing and Transmission Shanghai Yinin

    Penyelesaian Tersuai

  • Syarikat Bearing and Transmission Shanghai Yinin

    R&D berterusan

  • Syarikat Bearing and Transmission Shanghai Yinin

    Kawalan Kualiti

  • Syarikat Bearing and Transmission Shanghai Yinin

    Sokongan Teknikal dan Latihan

  • Syarikat Bearing and Transmission Shanghai Yinin

    Respon Pantas

Jika anda mempunyai sebarang perundingan teknikal atau maklum balas, kami akan memberikan anda jawapan yang paling profesional secepat mungkin!

Hubungi Kami