Siri 33200 Galas roller tirus
Siri 33200 Galas roller tirus
Siri 33200 Galas roller tirus

Siri 33200

Siri 33200 galas roller tirus adalah jenis galas yang biasa digunakan dalam aplikasi berat dan ketepatan tinggi. Galas semacam ini terdiri daripada cincin dalaman, cincin luar, penggelek dan sangkar, dan mempunyai kapasiti galas beban yang sangat baik dan rintangan haus. Reka bentuknya membolehkan galas untuk menahan beban radial dan paksi semasa operasi, dan sesuai digunakan dalam kereta, jentera kejuruteraan, kereta api dan bidang lain. Penggelek tirus siri 33200 menyediakan kawasan hubungan yang lebih besar, dengan itu meningkatkan kapasiti beban dan kestabilan operasi. Siri galas ini biasanya diperbuat daripada keluli aloi berkualiti tinggi dan mempunyai rintangan haba yang sangat baik dan rintangan kakisan, memastikan kebolehpercayaan mereka dalam persekitaran kerja yang keras. Di samping itu, reka bentuk standard galas siri 33200 memudahkan penggantian dan penyelenggaraan dan mengurangkan kos penggunaan.

Hantar Pertanyaan

33200 siri roller bearing roller - beban tinggi, jangka hayat, penyelesaian perindustrian ketepatan

The 33200 siri roller bearing adalah prestasi tinggi yang berprestasi tinggi, rolling tinggi yang sesuai untuk pelbagai aplikasi perindustrian dan mekanikal. Reka bentuknya menggabungkan kapasiti beban radial dan paksi untuk menahan beban yang tinggi dan mencapai operasi yang lancar. Siri galas ini digunakan secara meluas dalam peralatan automotif, perindustrian, aeroangkasa, tenaga dan bidang lain.

1. Kapasiti Beban Super
Reka bentuk hubungan roller dan tulang rusuk yang dioptimumkan meningkatkan keseragaman pengedaran beban dan meningkatkan kapasiti beban dinamik sebanyak 20% berbanding dengan galas standard.
Sesuai untuk beban kejutan dan persekitaran getaran (seperti jentera perlombongan, trak berat).

2. Hayat perkhidmatan yang dilanjutkan
Proses rawatan haba khas (Teknologi Carbonitriding) meningkatkan kekerasan permukaan (HRC 60) dan meningkatkan kehidupan keletihan sebanyak 30%.
Pilihan salutan karat (seperti penyaduran fosfat atau zink) sesuai untuk persekitaran lembap atau menghakis.

3. Operasi ketepatan dan penggunaan tenaga yang rendah
Ketepatan tahap ISO P5 (pilihan P4) mengurangkan kehilangan geseran dan membantu peralatan menjimatkan tenaga sehingga 15%.
Reka bentuk preload laras untuk memenuhi keperluan penghantaran ketepatan tinggi (seperti spindle alat mesin).

4. Kesesuaian pelbagai fungsi
Menyediakan saiz imperial dan metrik (seperti 33205, 33206, 33212, dan lain -lain), serasi dengan jenama arus perdana dan model yang boleh ditukar ganti.
Penyesuaian sokongan (anjing laut, gris, bahan).

Kawasan permohonan
Industri Automotif: Digunakan untuk perbezaan automotif, kotak gear, motor, dll.
Jentera Perindustrian: seperti alat mesin, tali pinggang penghantar, pam, peminat, dll.
Peralatan Tenaga: Seperti penjana, turbin, pemampat, dll.
Aeroangkasa: Digunakan untuk komponen utama seperti enjin pesawat dan gear pendaratan.
Peralatan rumah tangga: seperti mesin basuh, peti sejuk, penghawa dingin, dll.

Parameter Produk

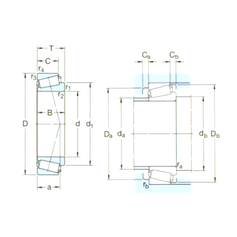
Penetapan Dimensi utama (mm) Penilaian Beban Asas (KN) Pu Penilaian kelajuan (rpm) Berat (kg) ISO335 Dimensi (mm) Dimensi Abutment dan Fillet (mm) Nilai
d1 D B DYC (CR) STC (COR) Penilaian kelajuan Mengehadkan kelajuan Dimensi (ABMA) d D1 ~ B C R1,2 (min) R3,4 (min) a da (max) db (min) DA (min) Da (max) Db (min) CA (min) CB (min) ra (max) RB (max) e Y Yo
33205/q 25 52 22 54 56 6 10000 13000 0,23 2de 25 38,6 22 18 1 1 14 30 31 43 46 49 4 4 1 1 0,35 1,7 0,9
33206/q 30 62 25 75 76,5 8,5 8500 11000 0,37 2de 30 45,8 25 19,5 1 1 16 36 36 53 56 59 5 5,5 1 1 0,35 1,7 0,9
33208/qcl7c 40 80 32 120 132 15 6300 8500 0,77 2de 40 59,7 32 25 1,5 1,5 21 47 47 67 73 76 5 7 1,5 1,5 0,35 1,7 0,9
33209/q 45 85 32 108 143 16,3 5300 7500 0,82 3de 45 65,2 32 25 1,5 1,5 22 52 52 72 78 81 5 7 1,5 1,5 0,4 1,5 0,8
33210/q 50 90 32 114 160 18,3 5000 7000 0,90 3de 50 70,7 32 24,5 1,5 1,5 23 57 57 77 83 87 5 7,5 1,5 1,5 0,4 1,5 0,8
33211/q 55 100 35 138 190 21,6 4500 6300 1,20 3de 55 77,6 35 27 2 1,5 25 63 64 85 93 96 6 8 2 1,5 0,4 1,5 0,8
33212/q 60 110 38 168 236 26,5 4000 6000 1,60 3ee 60 85,3 38 29 2 1,5 27 69 68 93 103 105 6 9 2 1,5 0,4 1,5 0,8
33213/q 65 120 41 194 270 30,5 3800 5300 2,05 3ee 65 92,1 41 32 2 1,5 29 75 74 102 113 115 6 9 2 1,5 0,4 1,5 0,8
33213tn9/q 65 120 41 194 270 30,5 3800 5300 2,05 3ee 65 92,1 41 32 2 1,5 29 75 74 102 113 115 6 9 2 1,5 0,4 1,5 0,8
33214/q 70 125 41 201 285 32,5 3600 5000 2,10 3ee 70 97,2 41 32 2 1,5 30 79 78 107 115 120 6 9 2 1,5 0,4 1,5 0,8
33215/q 75 130 41 209 300 34 3400 4800 2,25 3ee 75 102 41 31 2 1,5 32 84 84 111 122 125 6 10 2 1,5 0,43 1,4 0,8
33216/q 80 140 46 251 375 41,5 3200 4500 2,90 3ee 80 110 46 35 2,5 2 35 89 90 119 130 135 7 11 2 2 0,43 1,4 0,8
33217/q 85 150 49 286 430 48 3000 4300 3,70 3ee 85 117 49 37 2,5 2 37 96 95 128 140 144 7 12 2 2 0,43 1,4 0,8
33219 95 170 58 374 560 62 2600 3800 5,50 3fe 95 132 58 44 3 2,5 42 107 107 144 158 163 9 14 2,5 2 0,40 1,5 0,8
33220 100 180 63 429 655 71 2400 3600 6,95 3fe 100 139 63 48 3 2,5 43 112 112 151 168 172 10 15 2,5 2 0,4 1,5 0,8
30332J2 160 340 75 913 1180 114 1500 2000 29,0 2GB 160 233 68 58 5 4 61 201 180 290 323 310 9 17 4 3 0,35 1,7 0,9

Tentang Yinin

Syarikat Bearing and Transmission Shanghai Yinin Ditubuhkan pada tahun 2009, dengan lebih daripada 20 tahun pengalaman dalam bidang galas. Kami adalah a cina Siri 33200 Galas roller tirus Pengeluar dan menyediakan Disesuaikan Siri 33200 Galas roller tirus Kilang. Sejak tahun 1999, kami telah bertindak sebagai ejen pengeluar galas Cina, mengeksport pelbagai galas. Hari ini, kami telah berkembang menjadi kumpulan galas komprehensif yang menyepadukan jualan dan pembuatan.

Aplikasi Industri

Galas juga memainkan peranan yang sangat penting dalam jentera pertanian. Mereka digunakan untuk ...

Galas digunakan secara meluas dalam kereta. Mereka adalah bahagian utama sokongan dan berputar da...

Digunakan untuk sokongan, ketinggian, sudut, sendi, dan berputar bahagian peralatan perubatan.

Digunakan untuk sokongan, putaran, motor dan pemampat bahagian peralatan rumah.

Digunakan untuk putaran dan pergerakan sokongan dan panduan bahagian peralatan automasi

Dalam struktur bangunan, galas boleh digunakan untuk menghubungkan komponen struktur yang berbeza...

Dalam proses pengeluaran makanan dan minuman, pam diperlukan untuk mengangkut cecair dan pemampat...

Galas digunakan dalam enjin pesawat dan kapal angkasa untuk menyokong komponen berputar seperti t...

Berita dan Maklumat

Ketahui Lebih Lanjut

2025-10-30

Application and Selection Recommendations of Deep Groov...
The deep groove ball bearing is the workhorse of the electric motor industry, serving as a critical component in everything from small appliance motors to large industrial drives. Its versatility, rel...

2025-10-24

Deep Groove Ball Bearing Installation Direction and Pre...
Proper installation is the most critical factor determining the performance, accuracy, and service life of a deep groove ball bearing. Unlike tapered roller bearings, a common point of confusion surro...

2025-10-17

How to Judge the Service Life and Wear Degree of Deep G...
Deep groove ball bearings are among the most common and versatile bearing types, found in everything from small electric motors to heavy industrial machinery. Their reliability is critical, but like a...

Hubungi Kami

SUBMIT

Perundingan Teknikal

  • Syarikat Bearing and Transmission Shanghai Yinin

    Penyelesaian Tersuai

  • Syarikat Bearing and Transmission Shanghai Yinin

    R&D berterusan

  • Syarikat Bearing and Transmission Shanghai Yinin

    Kawalan Kualiti

  • Syarikat Bearing and Transmission Shanghai Yinin

    Sokongan Teknikal dan Latihan

  • Syarikat Bearing and Transmission Shanghai Yinin

    Respon Pantas

Jika anda mempunyai sebarang perundingan teknikal atau maklum balas, kami akan memberikan anda jawapan yang paling profesional secepat mungkin!

Hubungi Kami