Siri 33100 Galas roller tirus
Siri 33100 Galas roller tirus
Siri 33100 Galas roller tirus

Siri 33100

Bearing roller roller 33100 adalah galas berprestasi tinggi yang digunakan secara meluas dalam peralatan mekanikal dan mempunyai kapasiti beban yang sangat baik dan rintangan haus. Bearing semacam ini mengamalkan reka bentuk roller tirus, yang dapat menyebarkan beban secara berkesan dan menyesuaikan diri dengan daya radial dan paksi yang besar. Cincin dalaman dan luaran dan penggelek dari galas siri 33100 adalah machined ketepatan untuk memastikan kehilangan geseran yang baik dan rendah, memanjangkan hayat perkhidmatan. Di samping itu, reka bentuk tertutup galas menghalang pencerobohan debu dan kekotoran, memastikan kebolehpercayaan dalam persekitaran yang keras. Ia biasanya digunakan dalam industri, perlombongan, metalurgi dan industri lain, dan sangat sesuai untuk keadaan kerja berat dan suhu tinggi. Dengan pelinciran dan penyelenggaraan yang betul, 33100 siri galas roller tirus dapat memberikan prestasi yang sangat baik dan operasi yang stabil, memenuhi keperluan yang tinggi untuk galas dalam industri moden.

Hantar Pertanyaan

Parameter Produk

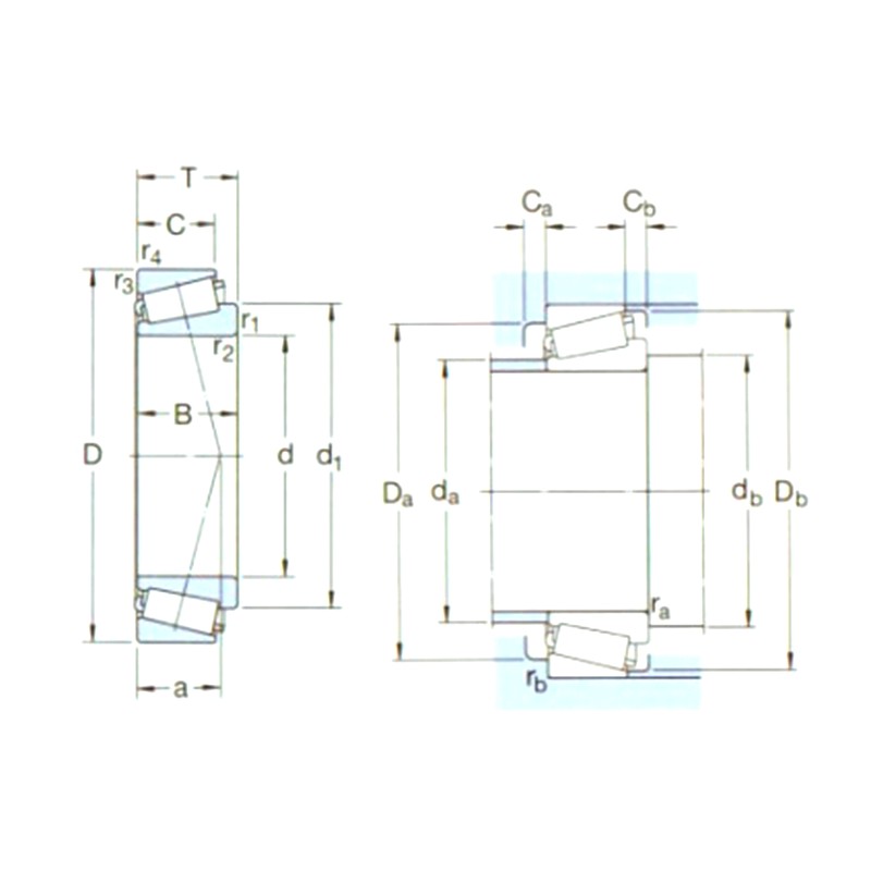
Penetapan Dimensi utama (mm) Penilaian Beban Asas (KN) Pu Penilaian kelajuan (rpm) Berat (kg) ISO335 Dimensi (mm) Dimensi Abutment dan Fillet (mm) Nilai
d1 D B DYC (CR) STC (COR) Penilaian kelajuan Mengehadkan kelajuan Dimensi (ABMA) d D1 ~ B C R1,2 (min) R3,4 (min) a da (max) db (min) DA (min) Da (max) Db (min) CA (min) CB (min) ra (max) RB (max) e Y Yo
33108/q 40 75 26 91,5 104 11,4 7000 9000 0,51 2ce 40 57,5 26 20,5 1,5 1,5 18 47 47 65 68 71 4 5,5 1,5 1,5 0,35 1,7 0,9
33109/q 45 80 26 96,5 114 12,9 6700 8000 0,56 3ce 45 62,7 26 20,5 1,5 1,5 19 52 52 69 73 77 4 5,5 1,5 1,5 0,37 1,6 0,9
33110/q 50 85 26 100 122 13,4 6000 7500 0,59 3ce 50 67,9 26 20 1,5 1,5 20 57 57 74 78 82 4 6 1,5 1,5 0,4 1,5 0,8
33111/q 55 95 30 110 156 17,6 5000 6700 0,86 3ce 55 75,1 30 23 1,5 1,5 22 63 62 83 88 91 5 7 1,5 1,5 0,37 1,6 0,9
33112/q 60 100 30 134 170 19,6 5300 6300 0,92 3ce 60 80,4 30 23 1,5 1,5 23 67 67 88 93 96 5 7 1,5 1,5 0,4 1,5 0,8
33113/q 65 110 34 142 208 24 4300 5600 1,30 3de 65 87,9 34 26,5 1,5 1,5 26 74 72 96 103 106 6 7,5 1,5 1,5 0,4 1,5 0,8
33114/q 70 120 37 172 250 30 4000 5300 1,70 3de 70 94,8 37 29 2 1,5 28 80 79 104 112 115 6 8 2 1,5 0,37 1,6 0,9
33115/q 75 125 37 176 265 31,5 3800 5000 1,80 3de 75 100 37 29 2 1,5 29 84 84 109 117 120 6 8 2 1,5 0,4 1,5 0,8
33116/q 80 130 37 179 280 32,5 3600 4800 1,90 3de 80 105 37 29 2 1,5 30 89 89 114 122 126 6 8 2 1,5 0,43 1,4 0,8
33116tn9/q 80 130 37 179 280 32,5 3600 4800 1,90 3de 80 105 37 29 2 1,5 30 89 89 114 122 126 6 8 2 1,5 0,43 1,4 0,8
33117/q 85 140 41 220 340 38 3400 4500 2,45 3de 85 112 41 32 2,5 2 32 95 95 122 130 135 7 9 2 2 0,4 1,5 0,8
33118/q 90 150 45 251 390 43 3000 4300 3,10 3de 90 120 45 35 2,5 2 35 101 101 130 140 144 7 10 2 2 0,4 1,5 0,8
33118tn9/q 90 150 45 251 390 43 3000 4300 3,10 3de 90 120 45 35 2,5 2 35 101 101 130 140 144 7 10 2 2 0,4 1,5 0,8
33122 110 180 56 369 630 67 2600 3400 5,55 3ee 110 146 56 43 2,5 2 44 121 121 155 170 174 9 13 2 2 0,43 1,4 0,8

Tentang Yinin

Syarikat Bearing and Transmission Shanghai Yinin Ditubuhkan pada tahun 2009, dengan lebih daripada 20 tahun pengalaman dalam bidang galas. Kami adalah a cina Siri 33100 Galas roller tirus Pengeluar dan menyediakan Disesuaikan Siri 33100 Galas roller tirus Kilang. Sejak tahun 1999, kami telah bertindak sebagai ejen pengeluar galas Cina, mengeksport pelbagai galas. Hari ini, kami telah berkembang menjadi kumpulan galas komprehensif yang menyepadukan jualan dan pembuatan.

Aplikasi Industri

Galas juga memainkan peranan yang sangat penting dalam jentera pertanian. Mereka digunakan untuk ...

Galas digunakan secara meluas dalam kereta. Mereka adalah bahagian utama sokongan dan berputar da...

Digunakan untuk sokongan, ketinggian, sudut, sendi, dan berputar bahagian peralatan perubatan.

Digunakan untuk sokongan, putaran, motor dan pemampat bahagian peralatan rumah.

Digunakan untuk putaran dan pergerakan sokongan dan panduan bahagian peralatan automasi

Dalam struktur bangunan, galas boleh digunakan untuk menghubungkan komponen struktur yang berbeza...

Dalam proses pengeluaran makanan dan minuman, pam diperlukan untuk mengangkut cecair dan pemampat...

Galas digunakan dalam enjin pesawat dan kapal angkasa untuk menyokong komponen berputar seperti t...

Berita dan Maklumat

Ketahui Lebih Lanjut

2026-02-26

Apakah Perbezaan Kritikal Antara Gred Ketepatan P6 dan ...
Dalam dunia pemesinan Kawalan Berangka Komputer (CNC) berketepatan tinggi, prestasi pemesinan 6000 galas bebola adalah asas untuk mencapai ketepatan sub-mikron. Sebagai tenaga kerja 6000...

2026-02-19

Analisis Teknikal: Apakah Perbezaan Utama Antara Galas ...
Dalam bidang kejuruteraan berketepatan tinggi, memilih bahan yang betul untuk galas bebola alur dalam keluli tahan karat adalah keputusan yang menentukan jangka hayat operasi dan kese...

2026-02-12

Adakah Galas Bebola Keluli Tahan Karat 6200 Diperlukan ...
Dalam bidang kejuruteraan gerakan berputar, siri 6200 adalah salah satu galas bebola alur dalam yang paling banyak digunakan kerana serba boleh dan kapasiti beban jejarian yang dioptimumkan. Walau ...

Hubungi Kami

SUBMIT

Perundingan Teknikal

  • Syarikat Bearing and Transmission Shanghai Yinin

    Penyelesaian Tersuai

  • Syarikat Bearing and Transmission Shanghai Yinin

    R&D berterusan

  • Syarikat Bearing and Transmission Shanghai Yinin

    Kawalan Kualiti

  • Syarikat Bearing and Transmission Shanghai Yinin

    Sokongan Teknikal dan Latihan

  • Syarikat Bearing and Transmission Shanghai Yinin

    Respon Pantas

Jika anda mempunyai sebarang perundingan teknikal atau maklum balas, kami akan memberikan anda jawapan yang paling profesional secepat mungkin!

Hubungi Kami