Siri 33000 Galas roller tirus
Siri 33000 Galas roller tirus
Siri 33000 Galas roller tirus

Siri 33000

The 33000 siri roller bearing adalah galas rolling berprestasi tinggi yang digunakan secara meluas untuk menanggung beban berat dan beban paksi. Siri galas ini mengamalkan reka bentuk roller tirus, yang secara berkesan dapat berkongsi beban dari pelbagai arah dan memberikan ketegaran dan kestabilan yang lebih tinggi. Reka bentuk tirus cincin dalaman dan luaran meningkatkan kawasan hubungan, dengan itu meningkatkan kapasiti beban dan rintangan haus. Balas jenis ini biasanya digunakan dalam jentera perindustrian, kereta, kereta api, penerbangan dan bidang lain, dan sangat sesuai untuk aplikasi yang memerlukan ketepatan dan kecekapan yang tinggi. Galas siri 33000 juga mempunyai rintangan suhu yang baik dan rintangan kakisan, dan boleh beroperasi dalam persekitaran yang keras untuk masa yang lama. Melalui pelinciran dan penyelenggaraan yang munasabah, hayat perkhidmatannya dapat dilanjutkan dengan ketara dan kos penyelenggaraan dapat dikurangkan. Pelbagai spesifikasi siri galas ini dapat memenuhi keperluan pelanggan yang berbeza dan digunakan secara meluas dalam pelbagai jenis peralatan berputar.

Hantar Pertanyaan

33000 siri roller roller bearing - ketepatan tinggi & jangka panjang industri

33000 siri roller bearing adalah ketepatan tinggi, galas rolling kapasiti tinggi yang sesuai untuk pelbagai aplikasi perindustrian dan mekanikal. Siri galas ini mengamalkan roller roller dan reka bentuk raceway tirus, boleh menanggung beban radial dan paksi pada masa yang sama, dan mempunyai kestabilan dan ketahanan yang baik.


Kelebihan produk

Kapasiti beban tinggi
Siri 33000 roller roller bearing mengamalkan struktur roller tirus, yang boleh menanggung beban radial dan paksi yang besar pada masa yang sama dan sesuai untuk keadaan tugas berat.

Ketepatan tinggi & jangka hayat
Siri galas ini mengamalkan teknologi pembuatan ketepatan untuk memastikan ketepatan yang tinggi dan jangka hayat. Rawatan pengerasan permukaannya dan reka bentuk pengedaran tekanan yang dioptimumkan meningkatkan kehidupan keletihan dan kebolehpercayaan galas.

Pelbagai model dan spesifikasi
Galas siri 33000 boleh didapati dalam pelbagai model dan saiz untuk memenuhi keperluan senario aplikasi yang berbeza. Sebagai contoh, siri 33000 termasuk 33000, 33001, 33002 dan model lain, sesuai untuk beban dan kelajuan yang berbeza.

Perkhidmatan yang disesuaikan
Siri galas ini menyokong perkhidmatan penyesuaian OEM, dan pelanggan boleh menyesuaikan mengikut keperluan mereka sendiri, termasuk saiz, bahan, jenis meterai, dll.

Pelbagai aplikasi
33000 siri galas roller tirus digunakan secara meluas dalam jentera perindustrian, kereta, jentera pertanian, pam, peminat, lif, peralatan metalurgi, jentera perlombongan dan bidang lain.

Jenis meterai berganda
Siri galas ini menyediakan pelbagai jenis meterai, seperti jenis terbuka, z, jenis 2Z, jenis RS, jenis 2RS, dan lain -lain, untuk memenuhi keperluan pengedap dalam persekitaran yang berbeza.

Pelbagai pilihan bahan
Siri galas ini boleh menggunakan pelbagai bahan, seperti GCR15, Bearing Steel, dan lain -lain, untuk memastikan prestasi di bawah keadaan kerja yang berbeza.


Permohonan produk
Jentera Perindustrian: seperti alat mesin, pengurangan, sistem penghantaran, dll.
Automobil: seperti enjin, kotak gear, sistem stereng, dll.
Jentera Pertanian: seperti penuai, traktor, benih, dll.
Pam dan peminat: seperti pam empar, peniup, pemampat, dll.
Lif: seperti mesin daya tarikan, sistem kereta api, dll.
Peralatan Metalurgi: Seperti Rolling Mills, Crushers, Conveyors, dll.
Jentera Perlombongan: Seperti penggali, pemuat, penghancur, dll.

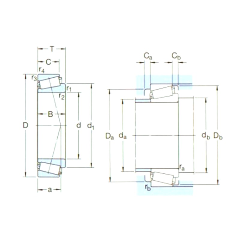
Parameter Produk

Penetapan Dimensi utama (mm) Penilaian Beban Asas (KN) Pu Penilaian kelajuan (rpm) Berat (kg) ISO335 Dimensi (mm) Dimensi Abutment dan Fillet (mm) Nilai
d1 D B DYC (CR) STC (COR) Penilaian kelajuan Mengehadkan kelajuan Dimensi (ABMA) d D1 ~ B C R1,2 (min) R3,4 (min) a da (max) db (min) DA (min) Da (max) Db (min) CA (min) CB (min) ra (max) RB (max) e Y Yo
33010/q 50 80 24 80 102 11,4 6300 8000 0,4 5 2ce 50 64,9 24 19 1 1 17 56 56 72 74 76 4 5 1 1 0,31 1,9 1,1
33011/q 55 90 27 104 137 15,3 5600 7000 0,67 2ce 55 72,9 27 21 1,5 1,5 19 63 62 81 83 86 5 6 1,5 1,5 0,31 1,9 1,1
33012/q 60 95 27 106 143 16 5300 6700 0,71 2ce 60 77,1 27 21 1,5 1,5 20 67 67 85 88 90 5 6 1,5 1,5 0,33 1,8 1
33013/q 65 100 27 110 153 17,3 5000 6300 0,78 2ce 65 82,5 27 21 1,5 1,5 21 72 72 89 93 96 5 6 1,5 1,5 0,35 1,7 0,9
33014 70 110 31 130 196 22,8 4300 5600 1,10 2ce 70 88,8 31 25,5 1,5 1,5 23 78 77 99 103 105 5 5,5 1,5 1,5 0,28 2,1 1,1
33015/q 75 115 31 134 228 26 4000 5300 1,15 2ce 75 95 31 25,5 1,5 1,5 23 84 82 104 108 110 6 5,5 1,5 1,5 0,3 2 1,1
33016/q 80 125 36 168 285 32 3600 5000 1,65 2ce 80 102 36 29,5 1,5 1,5 26 90 87 112 117 119 6 6,5 1,5 1,5 0,28 2,1 1,1
33017/q 85 130 36 183 310 34,5 3600 4800 1,75 2ce 85 107 36 29,5 1,5 1,5 26 94 92 118 122 125 6 6,5 1,5 1,5 0,3 2 1,1
33018/q 90 140 39 216 355 39 3200 4500 2,20 2ce 90 113 39 32,5 2 1,5 27 100 98 127 132 135 7 6,5 2 1,5 0,27 2,2 1,3
33019/q 95 145 39 220 375 40,5 3200 4300 2,30 2ce 95 118 39 32,5 2 1,5 28 104 104 131 138 139 7 6,5 2 1,5 0,28 2,1 1,1
33020/q 100 150 39 224 390 41,5 3000 4000 2,40 2ce 100 122 39 32,5 2 1,5 29 109 108 135 142 143 7 6,5 2 1,5 0,3 2 1,1
33021/q 105 160 43 246 430 45,5 2800 3800 3,05 2de 105 131 43 34 2,5 2 31 117 116 145 150 153 7 9 2 2 0,28 2,1 1,1
33022 110 170 47 281 500 53 2600 3600 3,85 2de 110 139 47 37 2,5 2 34 123 121 152 160 161 7 10 2 2 0,28 2,1 1,1
33024 120 180 48 292 540 56 2600 3400 4,20 2de 120 149 48 38 2,5 2 36 132 131 160 170 171 6 10 2 2 0,3 2 1,1
33030 150 225 59 457 865 86,5 2000 2600 8,15 2ee 150 188 59 46 3 2,5 48 164 162 200 213 217 8 13 2,5 2 0,37 1,6 0,9
31330XJ2 150 320 82 781 1020 100 1400 2000 29,5 7GB 150 234 75 50 5 4 96 181 170 251 303 300 9 32 4 3 0,83 0,72 0,4

Tentang Yinin

Syarikat Bearing and Transmission Shanghai Yinin Ditubuhkan pada tahun 2009, dengan lebih daripada 20 tahun pengalaman dalam bidang galas. Kami adalah a cina Siri 33000 Galas roller tirus Pengeluar dan menyediakan Disesuaikan Siri 33000 Galas roller tirus Kilang. Sejak tahun 1999, kami telah bertindak sebagai ejen pengeluar galas Cina, mengeksport pelbagai galas. Hari ini, kami telah berkembang menjadi kumpulan galas komprehensif yang menyepadukan jualan dan pembuatan.

Aplikasi Industri

Galas juga memainkan peranan yang sangat penting dalam jentera pertanian. Mereka digunakan untuk ...

Galas digunakan secara meluas dalam kereta. Mereka adalah bahagian utama sokongan dan berputar da...

Digunakan untuk sokongan, ketinggian, sudut, sendi, dan berputar bahagian peralatan perubatan.

Digunakan untuk sokongan, putaran, motor dan pemampat bahagian peralatan rumah.

Digunakan untuk putaran dan pergerakan sokongan dan panduan bahagian peralatan automasi

Dalam struktur bangunan, galas boleh digunakan untuk menghubungkan komponen struktur yang berbeza...

Dalam proses pengeluaran makanan dan minuman, pam diperlukan untuk mengangkut cecair dan pemampat...

Galas digunakan dalam enjin pesawat dan kapal angkasa untuk menyokong komponen berputar seperti t...

Berita dan Maklumat

Ketahui Lebih Lanjut

2025-10-30

Application and Selection Recommendations of Deep Groov...
The deep groove ball bearing is the workhorse of the electric motor industry, serving as a critical component in everything from small appliance motors to large industrial drives. Its versatility, rel...

2025-10-24

Deep Groove Ball Bearing Installation Direction and Pre...
Proper installation is the most critical factor determining the performance, accuracy, and service life of a deep groove ball bearing. Unlike tapered roller bearings, a common point of confusion surro...

2025-10-17

How to Judge the Service Life and Wear Degree of Deep G...
Deep groove ball bearings are among the most common and versatile bearing types, found in everything from small electric motors to heavy industrial machinery. Their reliability is critical, but like a...

Hubungi Kami

SUBMIT

Perundingan Teknikal

  • Syarikat Bearing and Transmission Shanghai Yinin

    Penyelesaian Tersuai

  • Syarikat Bearing and Transmission Shanghai Yinin

    R&D berterusan

  • Syarikat Bearing and Transmission Shanghai Yinin

    Kawalan Kualiti

  • Syarikat Bearing and Transmission Shanghai Yinin

    Sokongan Teknikal dan Latihan

  • Syarikat Bearing and Transmission Shanghai Yinin

    Respon Pantas

Jika anda mempunyai sebarang perundingan teknikal atau maklum balas, kami akan memberikan anda jawapan yang paling profesional secepat mungkin!

Hubungi Kami