Siri 30300 Galas roller tirus
Siri 30300 Galas roller tirus
Siri 30300 Galas roller tirus

Siri 30300

Siri 30300 roller roller bearing adalah galas rolling berprestasi tinggi yang digunakan secara meluas dalam jentera perindustrian, kereta dan peralatan berat. Siri galas ini mengamalkan reka bentuk roller tirus, yang dapat menahan beban paksi dan radial yang besar, dan mempunyai ketepatan putaran yang tinggi dan rintangan haus. Struktur dalamannya dioptimumkan untuk mengurangkan geseran dan haba dengan berkesan, dengan itu memanjangkan hayat perkhidmatannya. Galas siri 30300 biasanya diperbuat daripada keluli aloi berkualiti tinggi, dengan pemesinan permukaan halus dan rawatan haba untuk meningkatkan kekuatan dan ketahanan mereka. Siri galas ini juga mempunyai prestasi pengedap yang baik, yang secara efektif dapat mencegah pencerobohan pencemar luaran dan menyesuaikan diri dengan pelbagai persekitaran kerja yang keras.

Hantar Pertanyaan

Parameter Produk

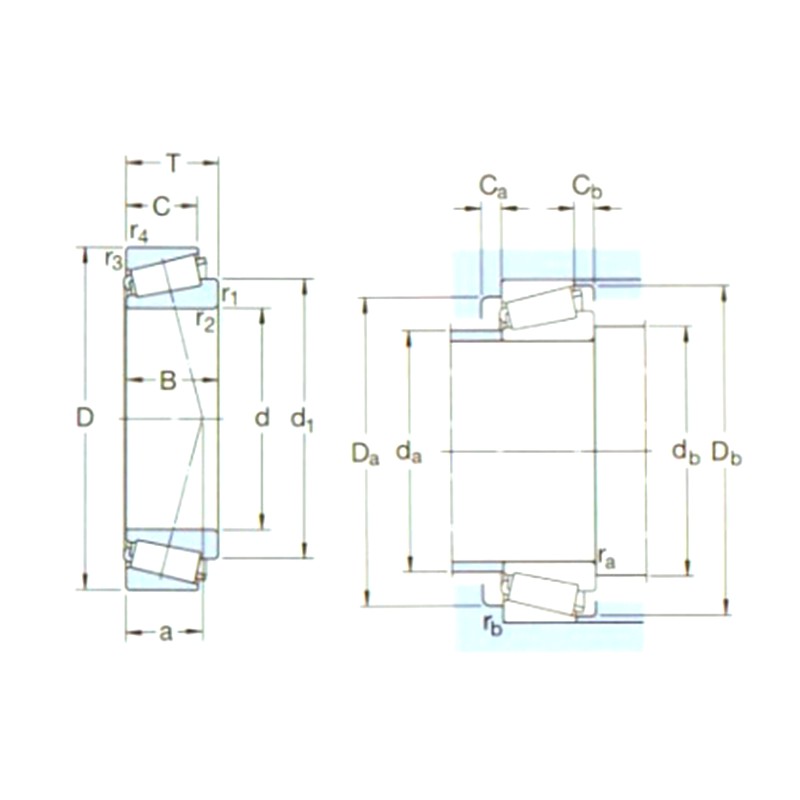
Penetapan Dimensi utama (mm) Penilaian Beban Asas (KN) Pu Penilaian kelajuan (rpm) Berat (kg) ISO335 Dimensi (mm) Dimensi Abutment dan Fillet (mm) Nilai
d1 D B DYC (CR) STC (COR) Penilaian kelajuan Mengehadkan kelajuan Dimensi (ABMA) d D1 ~ B C R1,2 (min) R3,4 (min) a da (max) db (min) DA (min) Da (max) Db (min) CA (min) CB (min) ra (max) RB (max) e Y Yo
30303J2 17 47 15,25 28,1 25 2,75 12000 16000 0,13 2FB 17 30,4 14 12 1 1 10 25 23 40 41 42 2 3 1 1 0,28 2,1 1,1
32303J2/q 17 47 20,25 40 33,5 3,65 12000 16000 0,17 2FD 17 30,7 19 16 1 1 12 24 23 39 41 43 3 4 1 1 0,28 2,1 1,1
30304J2/q 20 52 16,25 39 32,5 3,6 12000 14000 0,17 2FB 20 34,3 15 13 1,5 1,5 11 28 27 44 45 47 2 3 1,5 1,5 0,3 2 1,1
30305J2 25 62 18,25 44,6 43 4,75 9000 12000 0,26 2FB 25 41,5 17 15 1,5 1,5 13 34 32 54 55 57 2 3 1,5 1,5 0,3 2 1,1
30306J2/q 30 72 20,75 64 56 6,4 8000 10000 0,39 2FB 30 48,4 19 16 1,5 1,5 15 41 37 62 65 66 3 4,5 1,5 1,5 0,31 1,9 1,1
30307J2/q 35 80 22,75 83 73,5 8,3 7500 9000 0,52 2FB 35 54,5 21 18 2 1,5 16 46 44 70 71 74 3 4,5 2 1,5 0,31 1,9 1,1
30308J2/q 40 90 25,25 100 95 10,8 6300 8000 0,72 2FB 40 62,5 23 20 2 1,5 19 53 49 77 81 82 3 5 2 1,5 0,35 1,7 0,9
30309J2/q 45 100 27,25 125 120 14,3 5600 7000 0,97 2FB 45 70,1 25 22 2 1,5 21 59 53 86 91 92 3 5 2 1,5 0,35 1,7 0,9
30310J2/q 50 110 29,25 143 140 16,6 5300 6300 1,25 2FB 50 77,2 27 23 2,5 2 23 65 60 95 100 102 4 6 2 2 0,35 1,7 0,9
30311J2/q 55 120 31,5 166 163 19,3 4800 5600 1,55 2FB 55 84 29 25 2,5 2 24 71 65 104 112 111 4 6,5 2 2 0,35 1,7 0,9
30312J2/q 60 130 33,5 168 196 23,6 4000 5300 1,95 2FB 60 91,9 31 26 3 2,5 26 77 72 112 118 120 5 7,5 2,5 2 0,35 1,7 0,9
30313J2/q 65 140 36 194 228 27,5 3600 4800 2,40 2GB 65 98,6 33 28 3 2,5 28 84 77 122 128 130 5 8 2,5 2 0,35 1,7 0,9
30314J2/q 70 150 38 220 260 31 3400 4500 2,90 2GB 70 105 35 30 3 2,5 29 90 82 130 138 140 5 8 2,5 2 0,35 1,7 0,9
30315J2/q 75 160 40 246 290 34 3200 4300 3,45 2GB 75 112 37 31 3 2,5 31 96 87 139 148 149 5 9 2,5 2 0,35 1,7 0,9
30316J2 80 170 42,5 270 320 38 3000 4300 4,10 2GB 80 120 39 33 3 2,5 33 102 92 148 158 159 5 9,5 2,5 2 0,35 1,7 0,9
30317J2 85 180 44,5 303 365 40,5 2800 4000 4,85 2GB 85 126 41 34 4 3 35 107 99 156 166 167 6 10,5 3 2,5 0,35 1,7 0,9
30318J2 90 190 46,5 330 400 44 2600 4000 5,65 2GB 90 132 43 36 4 3 36 113 105 165 176 176 6 10,5 3 2,5 0,35 1,7 0,9
30319 95 200 49,5 330 390 42,5 2600 3400 6,70 2GB 95 139 45 38 4 3 39 118 110 172 186 184 6 11,5 3 2,5 0,35 1,7 0,9
30320J2 100 215 51,5 402 490 53 2400 3200 8,05 2GB 100 148 47 39 4 3 40 127 115 184 201 197 6 12,5 3 2,5 0,35 1,7 0,9
30322J2 110 240 54,5 473 585 62 2200 2800 11,0 2GB 110 165 50 42 4 3 43 142 125 206 226 220 8 12,5 3 2,5 0,35 1,7 0,9
30324J2 120 260 59,5 561 710 73,5 2000 2600 14,0 2GB 120 178 55 46 4 3 47 153 135 221 245 237 7 13,5 3 2,5 0,35 1,7 0,9
30326J2 130 280 63,75 627 800 83 1800 2400 17,0 2GB 130 196 58 49 5 4 51 164 150 239 263 255 8 14,5 4 3 0,35 1,7 0,9
33030 150 225 59 457 865 86,5 2000 2600 8,15 2ee 150 188 59 46 3 2,5 48 164 162 200 213 217 8 13 2,5 2 0,37 1,6 0,9
30332J2 160 340 75 913 1180 114 1500 2000 29,0 2GB 160 233 68 58 5 4 61 201 180 290 323 310 9 17 4 3 0,35 1,7 0,9
30352J2 260 540 113 2120 3050 250 850 1200 110 - 260 376 102 85 6 6 97 325 286 461 514 493 15 28 5 5 0,35 1,7 0,9

Tentang Yinin

Syarikat Bearing and Transmission Shanghai Yinin Ditubuhkan pada tahun 2009, dengan lebih daripada 20 tahun pengalaman dalam bidang galas. Kami adalah a cina Siri 30300 Galas roller tirus Pengeluar dan menyediakan Disesuaikan Siri 30300 Galas roller tirus Kilang. Sejak tahun 1999, kami telah bertindak sebagai ejen pengeluar galas Cina, mengeksport pelbagai galas. Hari ini, kami telah berkembang menjadi kumpulan galas komprehensif yang menyepadukan jualan dan pembuatan.

Aplikasi Industri

Galas juga memainkan peranan yang sangat penting dalam jentera pertanian. Mereka digunakan untuk ...

Galas digunakan secara meluas dalam kereta. Mereka adalah bahagian utama sokongan dan berputar da...

Digunakan untuk sokongan, ketinggian, sudut, sendi, dan berputar bahagian peralatan perubatan.

Digunakan untuk sokongan, putaran, motor dan pemampat bahagian peralatan rumah.

Digunakan untuk putaran dan pergerakan sokongan dan panduan bahagian peralatan automasi

Dalam struktur bangunan, galas boleh digunakan untuk menghubungkan komponen struktur yang berbeza...

Dalam proses pengeluaran makanan dan minuman, pam diperlukan untuk mengangkut cecair dan pemampat...

Galas digunakan dalam enjin pesawat dan kapal angkasa untuk menyokong komponen berputar seperti t...

Berita dan Maklumat

Ketahui Lebih Lanjut

2025-10-30

Application and Selection Recommendations of Deep Groov...
The deep groove ball bearing is the workhorse of the electric motor industry, serving as a critical component in everything from small appliance motors to large industrial drives. Its versatility, rel...

2025-10-24

Deep Groove Ball Bearing Installation Direction and Pre...
Proper installation is the most critical factor determining the performance, accuracy, and service life of a deep groove ball bearing. Unlike tapered roller bearings, a common point of confusion surro...

2025-10-17

How to Judge the Service Life and Wear Degree of Deep G...
Deep groove ball bearings are among the most common and versatile bearing types, found in everything from small electric motors to heavy industrial machinery. Their reliability is critical, but like a...

Hubungi Kami

SUBMIT

Perundingan Teknikal

  • Syarikat Bearing and Transmission Shanghai Yinin

    Penyelesaian Tersuai

  • Syarikat Bearing and Transmission Shanghai Yinin

    R&D berterusan

  • Syarikat Bearing and Transmission Shanghai Yinin

    Kawalan Kualiti

  • Syarikat Bearing and Transmission Shanghai Yinin

    Sokongan Teknikal dan Latihan

  • Syarikat Bearing and Transmission Shanghai Yinin

    Respon Pantas

Jika anda mempunyai sebarang perundingan teknikal atau maklum balas, kami akan memberikan anda jawapan yang paling profesional secepat mungkin!

Hubungi Kami