Siri 30200 Galas roller tirus
Siri 30200 Galas roller tirus
Siri 30200 Galas roller tirus

Siri 30200

Siri 30200 roller roller bearing adalah galas berprestasi tinggi yang digunakan secara meluas dalam industri jentera dan automotif. Siri galas ini telah meruncing cincin dalaman dan luaran dan reka bentuk roller, yang dapat menahan beban radial dan paksi dan menyesuaikan diri dengan operasi berkelajuan tinggi dan keadaan beban berat. Saiz siri 30200 biasanya 10mm hingga 100mm dalam diameter dalaman dan 30mm hingga 150mm dalam diameter luar. Ia sesuai untuk pelbagai peralatan mekanikal, seperti motor elektrik, kotak gear dan peralatan perindustrian. Reka bentuk tirus elemen rollingnya berkesan mengurangkan geseran dan meningkatkan kecekapan operasi dan ketahanan. Siri galas ini menggunakan proses pembuatan keluli dan maju berkualiti tinggi untuk memastikan prestasi yang sangat baik dan hayat perkhidmatan yang boleh dipercayai. Di samping itu, siri 30200 boleh menyediakan pilihan pengedap dan pelinciran yang berbeza mengikut keperluan pelanggan untuk memenuhi keperluan senario aplikasi tertentu.

Hantar Pertanyaan

Parameter Produk

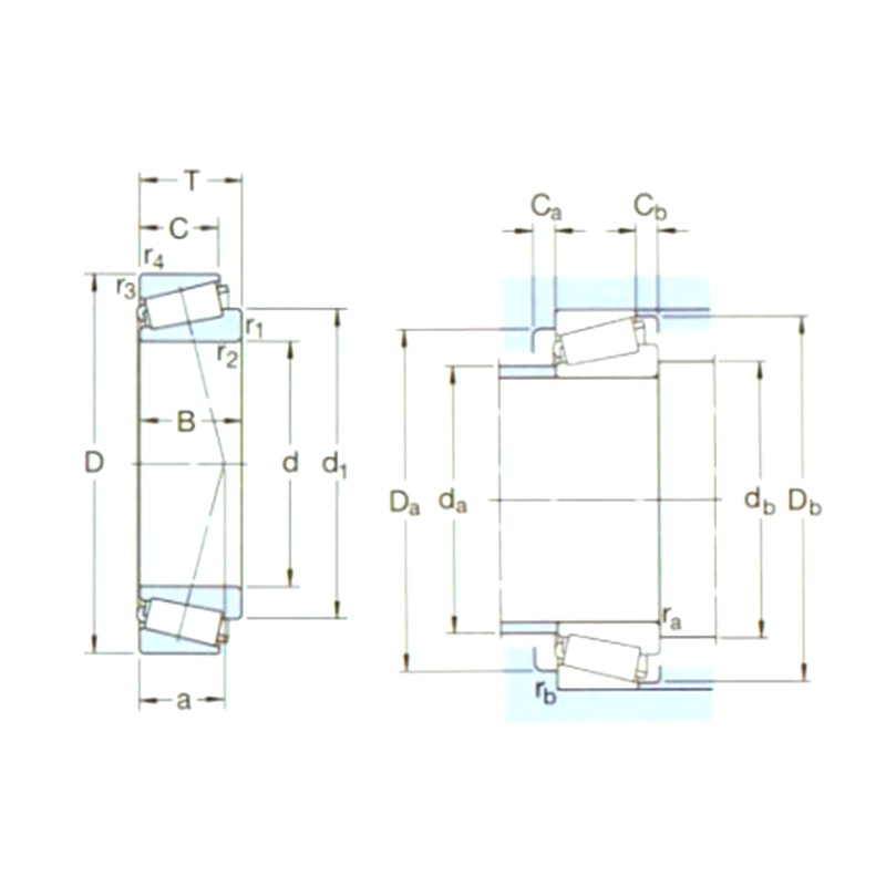
Penetapan Dimensi utama (mm) Penilaian Beban Asas (KN) Pu Penilaian kelajuan (rpm) Berat (kg) ISO335 Dimensi (mm) Dimensi Abutment dan Fillet (mm) Nilai
d1 D B DYC (CR) STC (COR) Penilaian kelajuan Mengehadkan kelajuan Dimensi (ABMA) d D1 ~ B C R1,2 (min) R3,4 (min) a da (max) db (min) DA (min) Da (max) Db (min) CA (min) CB (min) ra (max) RB (max) e Y Yo
30203J2 17 40 13,25 19 18,6 1,83 13000 18000 0,075 2db 17 28 12 11 1 1 10 23 23 34 34 37 2 2 1 1 0,35 1,7 0,9
30204J2/q 20 47 15,25 32 28 3 12000 15000 0,12 2db 20 33,2 14 12 1 1 11 27 26 40 41 43 2 3 1 1 0,35 1,7 0,9
30205J2/q 25 52 16,25 35,5 33,5 3,45 11000 13000 0,15 3cc 25 37,4 15 13 1 1 12 31 31 44 46 48 2 3 1 1 0,37 1,6 0,9
302/28J2 28 58 17,25 38 41,5 4,4 9000 12000 0,25 - 28 41,8 16 14 1 1 13 35 34 50 52 54 2 3 1 1 0,37 1,6 0,9
30206J2/q 30 62 17,25 46,5 44 4,8 9000 11000 0,23 3db 30 44,6 16 14 1 1 14 38 36 53 56 57 2 3 1 1 0,37 1,6 0,9
30207J2/q 35 72 18,25 58,5 56 6,1 8000 9500 0,32 3db 35 51,8 17 15 1,5 1,5 15 44 42 62 65 67 3 3 1,5 1,5 0,37 1,6 0,9
30208J2/q 40 80 19,75 71 68 7,65 7000 8500 0,42 3db 40 57,5 18 16 1,5 1,5 16 49 47 69 73 74 3 3,5 1,5 1,5 0,37 1,6 0,9
30209J2/q 45 85 20,75 76,5 76,5 8,65 6300 8000 0,48 3db 45 63 19 16 1,5 1,5 18 54 52 74 78 80 3 4,5 1,5 1,5 0,4 1,5 0,8
30210J2/q 50 90 21,75 86,5 91,5 10,4 6000 7500 0,54 3db 50 67,9 20 17 1,5 1,5 19 58 57 79 83 85 3 4,5 1,5 1,5 0,43 1,4 0,8
30211j2/q 55 100 22,75 104 106 12 5300 6700 0,70 3db 55 74,6 21 18 2 1,5 20 64 64 88 93 94 4 4,5 2 1,5 0,4 1,5 0,8
30212J2/q 60 110 23,75 112 114 13,2 5000 6000 0,88 3EB 60 81,5 22 19 2 1,5 22 70 68 96 103 103 4 4,5 2 1,5 0,4 1,5 0,8
30213J2/q 65 120 24,75 132 134 16,3 4500 5600 1,15 3EB 65 89 23 20 2 1,5 23 78 74 106 113 113 4 4,5 2 1,5 0,4 1,5 0,8
30214J2/q 70 125 26,25 125 156 18 4000 5300 1,25 3EB 70 93,9 24 21 2 1,5 25 82 78 110 115 118 4 5 2 1,5 0,43 1,4 0,8
30215J2/q 75 130 27,25 140 176 20,4 3800 5000 1,40 4db 75 99,2 25 22 2 1,5 27 86 84 115 122 124 4 5 2 1,5 0,43 1,4 0,8
30216J2/q 80 140 28,25 151 183 21,2 3400 4800 1,60 3EB 80 105 26 22 2,5 2 28 92 90 124 130 132 4 6 2 2 0,43 1,4 0,8
30217J2/q 85 150 30,5 176 220 25,5 3200 4300 2,05 3EB 85 112 28 24 2,5 2 30 97 95 132 140 141 5 6,5 2 2 0,43 1,4 0,8
30218J2 90 160 32,5 194 245 28,5 3000 4000 2,55 3FB 90 118 30 26 2,5 2 31 104 101 140 150 150 5 6,5 2 2 0,43 1,4 0,8
30219J2 95 170 34,5 216 275 31,5 2800 3800 3,00 3FB 95 126 32 27 3 2,5 33 110 107 149 158 159 5 7,5 2,5 2 0,43 1,4 0,8
33020/q 100 150 39 224 390 41,5 3000 4000 2,40 2ce 100 122 39 32,5 2 1,5 29 109 108 135 142 143 7 6,5 2 1,5 0,3 2 1,1
30220J2 100 180 37 246 320 36 2800 3600 3,65 3FB 100 133 34 29 3 2,5 35 116 112 157 168 168 5 8 2,5 2 0,43 1,4 0,8
33021/q 105 160 43 246 430 45,5 2800 3800 3,05 2de 105 131 43 34 2,5 2 31 117 116 145 150 153 7 9 2 2 0,28 2,1 1,1
30221J2 105 190 39 270 355 40 2600 3400 4,25 3FB 105 141 36 30 3 2,5 37 123 117 165 178 177 6 9 2,5 2 0,43 1,4 0,8
33022 110 170 47 281 500 53 2600 3600 3,85 2de 110 139 47 37 2,5 2 34 123 121 152 160 161 7 10 2 2 0,28 2,1 1,1
30222J2 110 200 41 308 405 45 2400 3200 5,10 3FB 110 148 38 32 3 2,5 39 129 122 174 188 187 6 9 2,5 2 0,43 1,4 0,8
33024 120 180 48 292 540 56 2600 3400 4,20 2de 120 149 48 38 2,5 2 36 132 131 160 170 171 6 10 2 2 0,3 2 1,1
30224J2 120 215 43,5 341 465 49 2200 3000 6,15 4FB 120 161 40 34 3 2,5 43 141 132 187 203 201 6 9,5 2,5 2 0,43 1,4 0,8
30226J2 130 230 43,75 369 490 53 2000 2800 7,60 4FB 130 173 40 34 4 3 45 152 146 203 216 217 7 9,5 3 2,5 0,43 1,4 0,8
30228J2 140 250 45,75 418 570 58,5 1900 2600 8,65 4FB 140 186 42 36 4 3 47 164 156 219 236 234 7 9,5 3 2,5 0,43 1,4 0,8
30230 150 270 49 429 560 57 1800 2400 11,0 4GB 150 200 45 38 4 3 50 175 166 234 256 250 9 11 3 2,5 0,43 1,4 0,8
30232J2 160 290 52 528 735 72 1600 2200 13,0 4GB 160 214 48 40 4 3 54 189 176 252 275 269 8 12 3 2,5 0,43 1,4 0,8
30234J2 170 310 57 616 865 83 1500 2000 19,0 4GB 170 230 52 43 5 4 58 203 190 268 293 288 8 14 4 3 0,43 1,4 0,8
30236J2 180 320 57 583 815 80 1500 2000 20,0 4GB 180 239 52 43 5 4 61 211 200 278 303 297 9 14 4 3 0,44 1,35 0,8
30238J2 190 340 60 721 1000 95 1400 1800 24,0 4GB 190 254 55 46 5 4 63 224 210 298 323 318 9 14 4 3 0,43 1,4 0,8
30240J2 200 360 64 792 1120 106 1300 1700 25,0 4GB 200 268 58 48 5 4 68 237 220 315 343 336 9 16 4 3 0,43 1,4 0,8
30244J2 220 400 72 990 1400 129 1200 1600 40,0 - 220 294 65 54 5 4 74 259 242 348 383 371 10 18 4 3 0,43 1,4 0,8

Tentang Yinin

Syarikat Bearing and Transmission Shanghai Yinin Ditubuhkan pada tahun 2009, dengan lebih daripada 20 tahun pengalaman dalam bidang galas. Kami adalah a cina Siri 30200 Galas roller tirus Pengeluar dan menyediakan Disesuaikan Siri 30200 Galas roller tirus Kilang. Sejak tahun 1999, kami telah bertindak sebagai ejen pengeluar galas Cina, mengeksport pelbagai galas. Hari ini, kami telah berkembang menjadi kumpulan galas komprehensif yang menyepadukan jualan dan pembuatan.

Aplikasi Industri

Galas juga memainkan peranan yang sangat penting dalam jentera pertanian. Mereka digunakan untuk ...

Galas digunakan secara meluas dalam kereta. Mereka adalah bahagian utama sokongan dan berputar da...

Digunakan untuk sokongan, ketinggian, sudut, sendi, dan berputar bahagian peralatan perubatan.

Digunakan untuk sokongan, putaran, motor dan pemampat bahagian peralatan rumah.

Digunakan untuk putaran dan pergerakan sokongan dan panduan bahagian peralatan automasi

Dalam struktur bangunan, galas boleh digunakan untuk menghubungkan komponen struktur yang berbeza...

Dalam proses pengeluaran makanan dan minuman, pam diperlukan untuk mengangkut cecair dan pemampat...

Galas digunakan dalam enjin pesawat dan kapal angkasa untuk menyokong komponen berputar seperti t...

Berita dan Maklumat

Ketahui Lebih Lanjut

2025-10-30

Application and Selection Recommendations of Deep Groov...
The deep groove ball bearing is the workhorse of the electric motor industry, serving as a critical component in everything from small appliance motors to large industrial drives. Its versatility, rel...

2025-10-24

Deep Groove Ball Bearing Installation Direction and Pre...
Proper installation is the most critical factor determining the performance, accuracy, and service life of a deep groove ball bearing. Unlike tapered roller bearings, a common point of confusion surro...

2025-10-17

How to Judge the Service Life and Wear Degree of Deep G...
Deep groove ball bearings are among the most common and versatile bearing types, found in everything from small electric motors to heavy industrial machinery. Their reliability is critical, but like a...

Hubungi Kami

SUBMIT

Perundingan Teknikal

  • Syarikat Bearing and Transmission Shanghai Yinin

    Penyelesaian Tersuai

  • Syarikat Bearing and Transmission Shanghai Yinin

    R&D berterusan

  • Syarikat Bearing and Transmission Shanghai Yinin

    Kawalan Kualiti

  • Syarikat Bearing and Transmission Shanghai Yinin

    Sokongan Teknikal dan Latihan

  • Syarikat Bearing and Transmission Shanghai Yinin

    Respon Pantas

Jika anda mempunyai sebarang perundingan teknikal atau maklum balas, kami akan memberikan anda jawapan yang paling profesional secepat mungkin!

Hubungi Kami